Hi
Hab einen Laguna Kombi Bj98,Fahrerseite hinten ,die Rückleuchten haben einen Totalausfall.Es leuchtet also nichts,rechte seite OK.
Vorab keine Anhängerkupplung,sonst hätte ich es da abgegriffen,die Leitungen.
Wie sollte ich vorgehen,oder wo könnte der fehler liegen.
Vorab Sicherungen alles OK
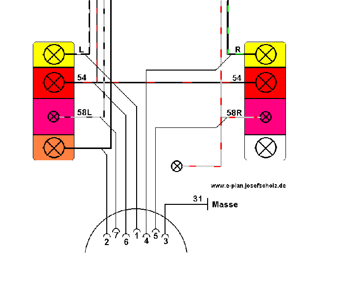
Welche Farben bzw Belegung,gibts irgendwo einen Verteile vielleicht,wo ich diese Rückleuchten Ströme überbrücken kann.
Einen Stromplan wäre vorteilhaft,mit Kabelbaum wege
1.Wo entlang führt der Kabelbaum,wenn ich es mal testen will,bzw neue Kabeln verlegen.





